初学单片机时,拿着一块实验板发呆,电路也不懂、程序也不懂,只好慢慢弄,等弄懂了,实验板也差不多报销了。而proteus 正好可以解决这个问题,它功能强大,这里只讨论仿真MCU 的功能。它可以在原理图上仿真,不用出PCB 板,不怕你“啥弄”。下面就先认识一下proteus.

上图是启动后的画面。我们点

中的“P”后,弹出下面的画面:

在

里输入at89c51 后:

右侧出现AT89C51,双击它,左侧空白框中出现AT89C51.

左键单击它,它上面框中显示出它的原理图,把鼠标移到右侧框中,鼠标变成铅笔形状,单击左键,框中出现一个AT89C51 原理图的轮廓图,可以移动。鼠标移到合适的位置后,按下鼠标左键,原理图放好了。

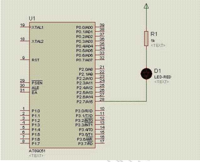
好了,一个单片机的原理图放好了。按这个方法依次把元件led-red、res 放到右侧的框中(单片机旁)。

这张图太小了,看得不清楚,要是大的就好了。别着急,把鼠标放在LED 旁,向前滚动鼠标中键,图像放大,向后滚动鼠标,图像缩小。如果你的鼠标没这个键,你可以试试上面工具栏上这二个图标,也是一样的。
选择左侧工具栏上的“箭头”图标,

把鼠标移到右侧的原理图中,鼠标经过元件时会就成“手形”,把鼠标移到LED-RED 上,按下左键,LED-RED 高亮显示,鼠标变成“手形”并带有方向键头。松开鼠标后,形状没变,指着LED-RED 按住鼠标左键,移动鼠标,哈哈!元件移动了。好了,现在你应该明白它们了吧!不用我说你应该明白刚才用到的工具的作用了。
在任何情况下,右键单击元器件时,元件会亮显示并弹出菜单:

非常直观,都是一些一目了然的图标。从上到的几个菜单分别是:移动物体、编辑属性、删除物体、顺时针旋转90 度(后面几个就不用说了吧)。单击鼠标左键操作。当元件高亮显示时,再右键击它,会删掉它。
把原理图中的元件摆放好。

左键单击左侧工具栏上的元件图标

,把鼠标移到LED-RED引脚上,引脚上高亮的小方框,单击左键,有一条绿色的线拉出来了。

把它移动到电阻上的引脚上,当有个高亮的小方框出现时按下左键,一条线画好了。

我们把线画成下图的情形:

在电阻R1 没有选择时,左键双击电阻,弹出电阻的属性:

好了,现在在电阻的前面加上一个5V 的电压,这部份电路就绘制好了。点击左侧terminals 图标

,选择POWER

放置并连接好电阻:

单片机电路暂时不讲解了,因为就这样也可以仿真。我们现在可以来点亮LED 了,只要把程序下载到单片机中就可以了。哦!忘了,你可能还不会写程序,没关系,下面就讲keil:
把proteus 保存在test 文件夹中,命名为led.dsn.启动keil 后显示如下:

选择上方的project 菜单选择New Project,保存在test 文件夹中,命名为ledc51。弹出cpu 选项,选择Atmel 中的At89c51:

弹出菜单后选择”是” :

点击

图标,现在可以编写程序了,我们编写如下代码:

保存为led_demo.c.左边的Source Group1 文件夹图标上右击,在弹出的菜单中选择,如下图所示

c 程序加进来了,马上就要生成proteus 中需要的文件了。我们先配置一下keil:


就配置这些,其它的以后再讲,先把LED 亮起来。左键单击

图标:

看到了吗?

激动人心的时刻就要到来,打开刚才的proteus 文件,左键双击At89c51 元件:

开始仿真左键单击

,没有看到灯亮呀,哎!电阻太大了,我们把电阻改成330,左键单击


LED 亮了,好高兴呀。我们现在要让LED 灭该如何改程序呢?

左键单击

图标,keil

————编译
再按仿真图标,灯灭了:
